• 鼎升电力二维码
  • 电力预防性试验China Electric Industry Ieaders
  • 全国统一服务热线:400-6698-612

DER2571数字接地电阻测试仪使用方法

  • 数字接地电阻测试仪用于电力、通信、铁路及工矿企业等部门各种装置接地电阻值的测量
  • 产品说明书 技术参数 附件清单
  • 提醒:关于咨询、购买、维护及产品故障等相关服务,致电客服。

数字接地电阻测试仪操作方法

一、数字接地电阻测试仪使用方法

(一) 接地电阻测量(如图一)

数字接地电阻测试仪接地电阻测量图    沿被测接地极E(C2、P2)和电位探针P1及电流探针C1,依直线彼此相距20米,使电位探针处于E、C中间位置,按要求将探针插入大地。用专用导线将地阻仪端子E(C2、P2)、P1、C1与探针所在位置对应联接。开启地阻仪电源开关"ON",选择合适挡位轻按一下键该档指标灯亮,表头LCD显示的数值即为被测得的地电阻。

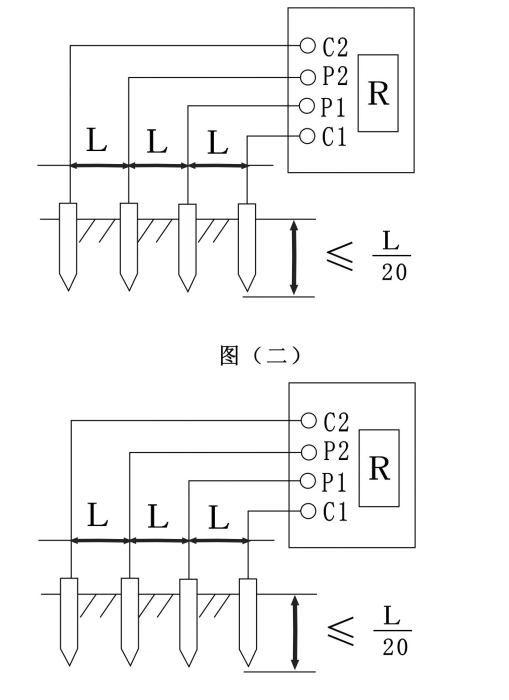
(二) 土壤电阻率测量(如图二)

数字接地电阻测试仪土壤电阻率测量图 1) 测量时在被测的土壤中沿直线插入四根探针,并使各探针间距相等,各间距的距离为L,要求探针入地深度为L/20cm,用导线分别从C1、P1、P2、C2各端子与四根探针相连接。若地阻仪测出电阻值为R,则土壤电阻率按下式计算:
Ф=2πRL
其中:
Ф—土壤电阻率(Ω·cm)
L—探针与探针之间的距离(cm)
R—地阻仪的读数(Ω)
用此法测得的土壤电阻率可近似认为是被埋入探针之间区域内的平均土壤电阻率。
2) 测地电阻、土壤电阻率所用的探针一般用直径为25mm,长0.5~1m的铝合金管或圆钢。

(三)导体电阻测量(图三)

数字接地电阻测试仪导体电阻测量图

(四)地电压测量

测量接线如图一,拨掉C1插头,E、P1间的插头保留,启动地电压(EV)档,指示灯亮,读取表头数值即为E、P1间的交流地电压值。

(五) 测量完毕按一下电源"OFF"键,仪表关机。

二、数字接地电阻测试仪注意事项

1.存放保管本表时,应注意环境温度湿度,应放在干燥通风的地方为宜,避免受潮,应防止酸碱及腐蚀气体。
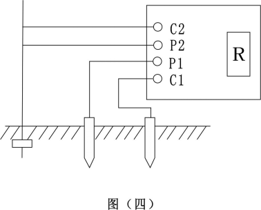
2.测量保护接地电阻时,一定要断开电气设备与电源连接点。在测量小于1Ω的接地电阻时,应分别用专用导线连在接地体上,C2在外侧P2在内侧如图四所示:
数字接地电阻测试仪测量小于1Ω接地电阻时,C2在外侧P2在内侧图 3.测量大型接地网接地电阻时,不能按一般接线方法测量,可参照电流表、电压表测量法中的规定选定埋插点。
4.测量地电阻时最好反复在不同的方向测量3~4次,取其平均值。
5.数字接地电阻测试仪为交直流两用,不接交流电时,数字接地电阻测试仪使用电池供电,接入交流时,优先使用交流电。
6.当表头左上角显示"←"时表示电池电压不足,应更换新电池。数字接地电阻测试仪长期不用时,应将电池全部取出,以免锈蚀仪表。

厂家承诺、客户必读
说明我公司将竭诚为您提供专业的产品及咨询与有效的技术服务,并及时提供工程预约及产品使用疑难解答, 已购买或即将使用本公司产品的客户,遇技术疑难,请致电我们。

我们严格遵守与客户签订的合同的各项条款,严格履行厂家销售服务承诺书,本产品一年质保,终身维修,因使用不当或保修期外的故障产品可凭产品保修卡修理。本公司坚持"用户为是,品质为上"的服务使命,为客户提供优质的产品和满意的服务。

产品服务流程|检定证书| 出厂报告|保修卡|物流包装|产品技术

400-6698-612 全国产品统一服务热线(免费咨询)
027-87875698 / 027-87180938

027-87180938
工作时间(上午8点30分 至 下午17点30分)

产品维修中心|技术咨询|订制产品
  • 客服中心
  • 全国统一服务热线:400-6698-612
  • 销售咨询:027-87875698
  • 技术售后:027-87180938
  • 2239963269 (点击咨询)
Copyright © 2016 CHINA DSEPA | 法律声明 鄂ICP备14004560号
武汉鼎升电力自动化有限责任公司 版权所有 侵权必究