• 鼎升电力二维码
  • 电力预防性试验China Electric Industry Ieaders
  • 全国统一服务热线:400-6698-612

SMG6000三相用电检查仪使用方法

  • 适用于三相电参数测量、保护回路CT接线分析和三相电电压电流不平衡度检测
  • 产品说明书 技术参数 附件清单
  • 提醒:关于咨询、购买、维护及产品故障等相关服务,致电客服。

三相用电检查仪操作方法

一、三相用电检查仪测量使用说明

(一)开关机说明

持续按"开机"按键三相用电检查仪进入如下画面: 三相用电检查仪开机画面图四、开机画面 继续按键3秒仪器进入真正开机状态,三相用电检查仪会发出"滴、滴"响声,并且频率逐渐升高,证明已开机这是放开按键。

(二)测量界面说明

开机三相用电检查仪自动进入测量界面如下: 三相用电检查仪系统图标界面图五、系统图标界面 【系统图标界面】选择您需要的功能图标进入应用软件,轻触【用户手册】图标,进入中文简体电子版说明书,帮助您更快更准确地了解本仪表的应用功能和操作方式。

(三)伏安相位功率测量

三相用电检查仪伏安、相位、功率测量界面图六、伏安、相位、功率测量界面 点击【伏安相位】进入基本伏安相位测量界面,分颜色显示三相电压、电流、功角、功率因数、相角和三相功率。

(四)不平衡度测量

三相用电检查仪不平衡度界面图七、不平衡度界面 进入【伏安相位】功能,如图可以轻触【不平衡度】进入不平衡度测量界面,系统自动检测和计算三相电压和电流的不平衡度,以及矢量和。

(五)接线检查

三相用电检查仪接线检查界面图八、接线检查界面 轻触【接线检查】进入接线检查界面,确定数据稳定点击【HOLD】,保持现在数据不变,点击【分析】系统可以分析现有接线是否错误,并提示正确连接方式。

(六)计算CT/PT一次侧电流、电压值

三相用电检查仪CT/PT一次侧电流、电压值界面图九、CT/PT 进入CT/PT界面可以设置变比值,轻触变比值的位置,系统弹出设置键盘进行设置。

(七)备注信息填写

三相用电检查仪备注信息填写界面图十、备注信息填写 备注信息填写,可以填写测试单位、测试人员名称系统打印报告中包含填写信息内容。

(八)电源状态管理

三相用电检查仪电源管理界面图十一、电源管理 三相用电检查仪采用高效率的锂电池供电,当长期不用此机是保持电池电量在30%到70%为佳,放置时间尽量短,定期开机放电充电可以延长电池寿命。

(九)帮助

三相用电检查仪帮助界面图十二、帮助 帮助含有此三相用电检查仪使用说明。

(十)系统设置

三相用电检查仪系统设置界面图十三、系统设置 设置系统参数。

(十一)数据导出

三相用电检查仪系统导出界面图十四、数据导出 导出数据到U盘,将U盘插入USB口选择需导出的.par格式文件,点击导出。可以用电脑打开里面包含word文档和excel两种格式的文件,方便客户报告使用。

(十二)谐波测试

三相用电检查仪谐波测试界面图十五、谐波测试界面 进去【谐波】界面会出现上图显示,轻触【2-4次】可显示电压、电流的2-4次谐波含量,轻触【HOLD】可保存谐波数据,保存时间15秒,用户按界面显示等待。

二、测量接线

1.单向测量接线方式

如下图:三相用电检查仪单相电接线方式图十六、单相电接线方式 单相电测量将火线接到仪表的UA相,零线接到UN。电流钳传感器钳到火线上接入IA插孔。

2.三相三线接线方法

如下图:三相用电检查仪三相三线接线示意图图十七、三相三线接线示意图 电压线的连接:使用专用电压测试线(黄、红、黑三组),一端依次插入本仪器的UA、UC、UN相插孔,另一端分别接入被测线路的A相、C相、B相。
注意:黄色线接UA插孔,黑色线接UN插孔、红色线接UC插孔。 电流线的连接:再将IA、IC钳插入本仪器IA、IC插孔中,再将另一端分别卡入被测电流回路。

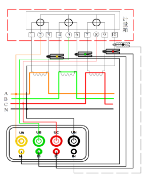
3.三相四线接法

如下图:三相用电检查仪三相四线接线示意图图十八、三相四线接线示意图 电压线的连接:使用专用电压测试线(黄、绿、红、黑四组),一端依次插入本仪器的UA、UB、UC、UN相插孔中,另一端再接入被测线路的A相、B相、C相、零线。
电流线的连接:将 IA、IB、IC钳表插入本仪器IA、IB、IC插孔中,再将另一端分别卡入被测电流回路。

厂家承诺、客户必读
说明我公司将竭诚为您提供专业的产品及咨询与有效的技术服务,并及时提供工程预约及产品使用疑难解答, 已购买或即将使用本公司产品的客户,遇技术疑难,请致电我们。

我们严格遵守与客户签订的合同的各项条款,严格履行厂家销售服务承诺书,本产品一年质保,终身维修,因使用不当或保修期外的故障产品可凭产品保修卡修理。本公司坚持"用户为是,品质为上"的服务使命,为客户提供优质的产品和满意的服务。

产品服务流程|检定证书| 出厂报告|保修卡|物流包装|产品技术

400-6698-612 全国产品统一服务热线(免费咨询)
027-87875698 / 027-87180938

027-87180938
工作时间(上午8点30分 至 下午17点30分)

产品维修中心|技术咨询|订制产品
  • 客服中心
  • 全国统一服务热线:400-6698-612
  • 销售咨询:027-87875698
  • 技术售后:027-87180938
  • 2239963269 (点击咨询)
Copyright © 2016 CHINA DSEPA | 法律声明 鄂ICP备14004560号
武汉鼎升电力自动化有限责任公司 版权所有 侵权必究