• 鼎升电力二维码
  • 电力预防性试验China Electric Industry Ieaders
  • 全国统一服务热线:400-6698-612

DEJB-S继电保护测试仪使用方法

继电保护测试仪操作方法

一、继电保护测试仪使用说明

(继电保护测试仪的使用可参考水利电力部电力生产司编的《保护继电器校验》水利电力出版社一书)
1. 测量:可作为单独的电压、电流源使用,但须注意各项输出功率,以免损坏仪器。具体操作按"四"进行。
2. 过量程、欠量程: 测量各种继电器的启动值、返回值、返回系数及触点动作时间(包括电压、电流继电器)。过量程是指继电器触点合上为动作值的继电器,欠量程是指以继
电器触点分开为动作值的继电器。
3. 继电器的动作值、返回值及返回系数的测量:按照前面"四"来调节输出电源,选择T3至 状态,将同步开关按下,缓慢调节T4旋钮至继电器动作,观察指示灯由灭变亮,此时X1的显示为其动作值。继续调节T4至该继电器额定值后,再缓慢将T4调回至继电器返回,观察指示灯由亮变灭,此时X1的显示为返回值。用返回值除以动作值再乘以100%即为返回系数。
4. 继电器的时间测量: 按照前面"四"来调节输出电源,选择T3至继电器的触点状态,将同步开关按下,缓慢调节T4旋钮至继电器的额定值。通过同步开关,可测得继电器的时间(1的显示值)。注意测试前须将毫秒表清零,合闸开关在开的位置。
同步开关与触点状态对应关系如下:
ⅠⅢ状态,同步开关由关至开;
ⅡⅣ状态,同步开关由开至关。
触点接线如下:
继电保护测试仪触点接线图图1 5. 时间继电器的测量与上述方法相同。
6. 重合闸(以DH—3重合闸为例):
i.DH—3型重合闸继电器操作如下:
继电保护测试仪DH—3型重合闸继电器操作图图2 按图(三)接线,(3)(4)接J5黑柱(负极),(17)接J5红柱(正极)。 注意:若用ZJ3触点停止毫秒表时,应注意将ZJ3接到(12)脚的接线断开,将ZJ3触点分离开来(见《保护继电器检验》352页),把T1旋到DC20A档,打开电源开关调节T4至继电器额定电流值。关掉电源开关,将T2调至继电器的额定电压值。将T3调至Ⅰ位置(即继电器ZJ3的触点状态)。打开电源开关,按下定值输出开关,充电15~25秒后(毫秒表上可读出充电时间),将毫秒表复位,按下"重合闸开关",测量重合闸时间,X2显示的值为重合闸继电器的重合闸时间。
7. 中间继电器:
继电保护测试仪中间继电器图图3 如图(a)同过量程、欠量程继电器,测量动作值、返回值、动作时间、返回时间一样进行操作。
(b)对电流保持继电器,先调整T2至继电器额定电压值,打开电源开关,按下定值输出开关,使继电器电压线圈加入额定电压值,继电器动作后,调整T4使J1电流至额定电流
值,然后断开电压,调整保护线圈电流(T4),继电器能保持的最小电流就是继电器的最小保持值。其动作时间、返回时间参照"五、2"进行试验。
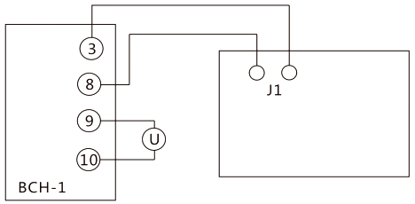
8. 继电保护测试仪差动继电器:(以BCH—1型差动继电器为例进行说明)
根据规程要求(参见《保护继电器检验》的178页),在无外接设备情况下可做第4、9、10三项试验,在外接调压器和升流器的情况下可做第6项试验,其他不属于继电保护测试仪试验范围。 执行元件动作电压、动作电流及返回电流检验,按下图接线:
继电保护测试仪差动继电器接线图图4 断开(10)、(11)端子之间的连续片,按电流继电器的方法测出动作电流、返回电流,然后把交流电流升到刚才测出的动作电流值,记录此时 的电压值,可用万用表测J1两
端电压值。
B.无制动时的起始安匝检验 本项目不是一般的定期检验项目。把工作绕组的20匝全部投入,把(10)、(11)的短路片接上,交流电流从(3)、(8)加入,触点动作信号
从(5)、(7)接入触点端,按电流继电器的方法检验。
C.制动特性试验 定期检验时,仅测定Φ=0°和制动安匝为280安匝的动作安匝值。
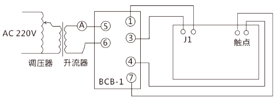
继电保护测试仪差动继电器接线说明图图5按上图接线,断开(4)、(6)的连接片,动作回路取39匝,制动回路取14匝,调压器(最小容量5KVA)和仪器使用同一220V电源时,调节制动电流到要求的安匝,按交流继电器的做出动作电流。如果动作安匝完全不对,可能是制动电流和动作电流的相角是180°,把制动电流反相就行了。如果仪器使用三相电中的一相,调压器使用另外一相,通过改变相别和升流器正反接可得到60°的相角。如果外接移相器,可得到0~360°的相角。
D.整组伏安特性检验,按下图接线:
继电保护测试仪伏安特性检验接线图图6交流电流加在工作绕组上(3)、(8),执行元件的电压由一块万用表从(9)、(10)读取,选择1至交流电流档,升流到所需安匝数,读取1倍、2倍、5倍安匝时执行元件端的电压值。详见《保护继电器检验》的183页。
E.整定位置下的动作安匝检验 试验方法与电流继电器相同,参见"五,2"。

二、继电保护测试仪使用注意事项

1. 为了安全起见,仪器与继电器在接线时不要打开电源开关,待检查接线无误后再打开电源开关。
2. 为了仪器的准确度,请在做试验前预热5~10分钟。
3. 测量触点动作时间时,加入额定值后应将毫秒表清零。
4. 继电保护测试仪工作不正常时,请检查各个保险座,若损坏更换同型号即可正常。其他非保险问题请勿自行检修仪器,应及时与本公司联系。
5. 各输出电源间不能短路,触点端子不能与输出电源短路,以免损坏仪器。
6. 试验完毕,拆除接线前,请先关掉继电保护测试仪电源。
7. 使用继电保护测试仪前,请仔细阅读使用说明书。

厂家承诺、客户必读
说明我公司将竭诚为您提供专业的产品及咨询与有效的技术服务,并及时提供工程预约及产品使用疑难解答, 已购买或即将使用本公司产品的客户,遇技术疑难,请致电我们。

我们严格遵守与客户签订的合同的各项条款,严格履行厂家销售服务承诺书,本产品一年质保,终身维修,因使用不当或保修期外的故障产品可凭产品保修卡修理。本公司坚持"用户为是,品质为上"的服务使命,为客户提供优质的产品和满意的服务。

产品服务流程|检定证书| 出厂报告|保修卡|物流包装|产品技术

400-6698-612 全国产品统一服务热线(免费咨询)
027-87875698 / 027-87180938

027-87180938
工作时间(上午8点30分 至 下午17点30分)

产品维修中心|技术咨询|订制产品
  • 客服中心
  • 全国统一服务热线:400-6698-612
  • 销售咨询:027-87875698
  • 技术售后:027-87180938
  • 2239963269 (点击咨询)
Copyright © 2016 CHINA DSEPA | 法律声明 鄂ICP备14004560号
武汉鼎升电力自动化有限责任公司 版权所有 侵权必究